| Sign In | Join Free | My spintoband.com |
|
Brand Name : PHIDIX
Model Number : Customized
Certification : IATF16949
Place of Origin : China
MOQ : 10 Piece/Pieces
Price : Negotiation
Payment Terms : L/C, D/A, D/P, T/T
Supply Ability : 888 Piece/Pieces per Month
Delivery Time : 7-40 work days
Packaging Details : carton or wood case
Name : Heavy Duty Accelerator Control System Foot Accelerator Pedal Mechanical Gas Pedal
Color : Black
Material : Iron/Zinc Alloy
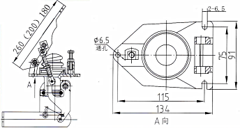
Stroke : 0-75mm
Pedal Standard Length : 260mm, Customization
Pedal Angle : Can Adjust
Fixing Type : 3 Holes
Application : Be Fit For Loader, Road Roller, Grader, etc
Heavy Duty Accelerator Control System Foot Accelerator Pedal Mechanical Gas Pedal
【 Product Description 】
Accelerator control system necessarily has a gas pedal / shifter / joystick / control knob, by pressing on which increases the amount of air-fuel mixture supplied to the combustion chamber of internal combustion engines.Currently, there are many accelerator control options, but the most common – is the conventional mechanical pedal with rods or cables, as well as electronic pedal. They are widely used for heavy-duty trucks, buses, agricultural machinery, construction equipment, and virtually all other mechanisms, which can be controlled with the foot drive. For versatility pedal is rotatable by 360 ° around the axis.
【 Commons Applications 】
Medium and heavy-duty trucks, construction and farm equipment, buses.
【 Function 】
Foot throttle controller of vehicles and engineering machinery, controls one pull cable.
【 Advantage 】
Light weight, compact construction, easily installation, good seal, proof rust and anti-deformation.
【 Materials】
• Corrosion-resistant die cast components
• Plated steel hardware
• Plastic bushings
• Plated steel internal/external components
【 Drawing 】

【 Real Picture 】

|
|
Heavy Duty Accelerator Control System Foot Accelerator Pedal Mechanical Gas Pedal Images |